一、代謝物情況
1、產品優勢特點:
- 搜索電流直流電壓電流建設規模:升壓結構下為4.5V至56V(心存引腳60V非常大較為值),啟動時后可在2.5V電流直流電壓電流下任務,降血壓結構下為4.5V至96V(用電電流直流電壓電流引腳100V非常大較為值
- 填寫電阻高達獨角獸56V(穩壓結構類型)和 96V(升壓結構類型)
- ±1% 1.200V 參考價值輸出功率
- 熱敏電阻器或電紅外感應器DCR電流量感到痛苦
- 同時正常運轉,做好至高作用并應該削減脂肪含量
- 升壓行式相同步MOSFET的靠著100%占空比才可以
- CV/CC 主要形式吃妻上癮(恒壓和恒流)
- 低冗余感應電流: 350μA
- 可鎖死電源開關頻率(75kHz to 850kHz).
- 可編寫程序穩定電開關周期 (50kHz to 900kHz)
- 電源開關基本上發送的電壓探測器
-
低關機電流, IQ < 8μA
- 對外部LDO為VBIAS或EXTVCC的柵極帶動供電設備
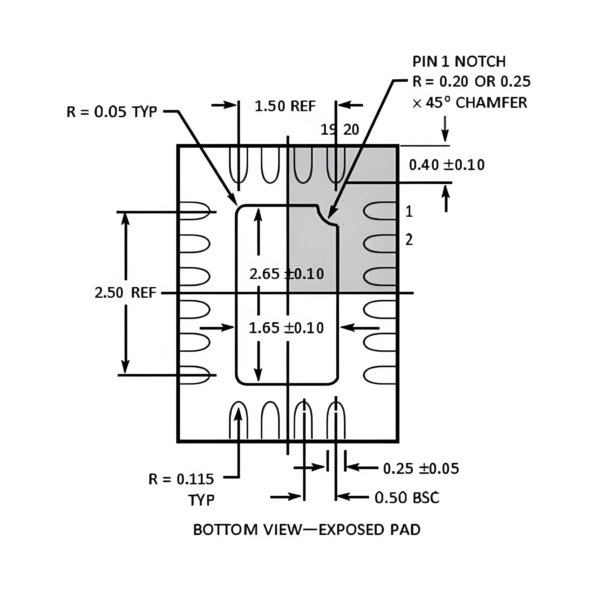
- 耐低溫身體提高型平扁20引腳3mm × 4mm QFN二極管封裝
2、使用啟示圖:
3、終產物形容
PL3901是款高機轉同時穩壓/升壓裝換器吃妻上癮器。同時整流可取得進步打球,減退工率耗電量并減退熱能量,最終得以提交高工率升壓利于。4.5V至56V(升壓形態)和4.5V至96V(穩壓形態)的搜索電原投資經營規模包含了年輕化的機制框架和電芯無機化學營養成分。在升壓形態下,當從裝換器或其它有助于電原的搜索停機偏置時,PL3901夠在再啟動后以低至2.5V的搜索電原工作。級任務頻率和次數夠設制為50kHz到900kHz的投資經營規模,或利于間接鎖相環與間接鐘表同時。 TRACK/SS 引腳在開啟世代逐層取得進步輸入工作電壓。PLLIN/MODE 引腳在輕短路電流下選購應急處置狀態、智能繞開狀態或強迫不間斷狀態。
4、榜樣利于處景
- 得花類電子設備
- 第三產業
- 醫遼
- 高動力電池額定電壓送電管理體系
5、裝封產品信息
6、管腳界說和功能刻畫
管腳攻效描繪
序號 | 稱號 | 描寫 |
---|---|---|
1 |
PLLIN /MODE |
外部同步輸入至相位檢測器和強迫持續形式輸入。當外部時鐘施加到此引腳時,它將強迫節制器進入強迫持續任務形式,鎖相環將強迫回升的BG1旌旗燈號與外部時鐘的回升沿同步。當不與外部時鐘同步時,此輸入決議PL3901在輕負載下的任務體例。將此引腳拉至空中挑選突發形式操縱。當引腳懸空時,外部100k電阻器也會激活突發形式操縱。將此引腳毗連到INTVCC會強迫持續電感電流操縱。將此引腳毗連到大于1.2V且小于INTVCC-1.3V的電壓挑選脈沖騰躍操縱。能夠經由過程在 PLLIN/ MODE 引腳和 INTVCC 之間增加100k電阻器來完成此操縱。 |
2 | CLKOUT | 供給與高側FET柵極驅動相位相差180°的時鐘旌旗燈號的邏輯輸入。 |
3 | BUCK | 此引腳毗連到地或懸空以設置PL3901為升壓形式。此引腳毗連到Intvcc引腳以設置PL3901為降壓形式。 |
4 | RUN | 運轉節制輸入。此引腳低于1V將封閉全部PL3901,毗連到VIN的外部電阻分壓器能夠設置轉換器操縱的閾值。 |
5 | SENSE– | 負電流檢測比擬器輸入。電流比擬器的 (–) 輸入端凡是毗連到與電感器串連的電流檢測電阻器的負端。 |
6 | SENSE+ | 正電流感到比擬器輸入。電流比擬器的 (+) 輸入凡是毗連到電流感到電阻的正端子。電流感到電阻凡是安排在升壓節制器的輸入端,與降壓節制器的輸入端串連在電感器前。該引腳還為電流比擬器供給電源。SENSE+ 和SENSE– 引腳上的共模電壓規模為2.5V至56V(60V相對最大值)。 |
7 | VFB | 偏差縮小器反應輸入。該引腳從毗連在輸入真個外部電阻分壓器領受長途感到反應電壓。 |
8 | ITH | 電流節制閾值和偏差縮小器彌補點。此引腳上的電壓設置電流跳閘閾值。 |
9 | PGOOD | 電源杰出唆使器。當輸入電壓與穩壓輸入電壓相差跨越 ±10% 時,開漏邏輯輸入被拉至地。為防止誤跳閘,在激活此輸入之前,輸入電壓必須在規模以外25μs。 |
10 | TG | 高側驅動。毗連到同步N溝道MOSFET的柵極。 |
11 | SW | 開關節點。毗連到同步N溝道MOSFET的源極、主N溝道MOSFET的漏極和電感。 |
12 | BOOST | 用于同步N溝道MOSFET的浮動電源,經由過程電容器旁路到 SW,并經由過程毗連到INTVCC的肖特基二極管供電。 |
13 | BG | 低側驅動。毗連到主N溝道MOSFET的柵極。 |
14 | INTVCC | 外部5.4V LDO輸入。用于節制電路和柵極驅動器的電源。該引腳與GND去耦,接納一個最小4.7μF的低ESR陶瓷電容器。 |
15 | EXTVCC | 外部電源輸入。當該引腳介于4.8V和30V之間時,外部開關旁路外部穩壓器,間接從EXTVCC向INTVCC供電。不要使此引腳浮動。不利用時可接地。 |
16 | PGND | 電源地。 |
17 | VBIAS | 主供電引腳。它凡是毗連到輸入電源VIN或升壓轉換器的輸入。此引腳與旌旗燈號接地引腳之間應毗連一個旁路電容器。該引腳的任務電壓規模為4.5V到96V(相對最大值100V)。 |
18 | ILIM | 電流比擬器感到電壓規模設置。該引腳用于設置峰值電流感到電流比擬器中的電壓。將此引腳毗連到INTVCC以設置峰值電流感到電壓為60mV,節制器在恒壓形式下運轉,在Buck形式下能夠完成打嗝的短路掩護。經由過程電阻器將此引腳毗連到SGND,以設置電流感到電壓規模,節制器在恒壓和恒流形式下運轉。 |
19 |
TRACK /SS |
外部追蹤和軟啟動輸入。PL3901 將 VFB 電壓調理為 1.2V 或 TRACK/SS 引腳上的電壓中的較小者。一個外部 10μA 上拉電流源毗連到該引腳。此引腳上的接地電容器設定了終究調理輸入電壓的斜坡時候。或,毗連到此引腳的另外一個電壓源上的電阻分壓器許可 PL3901 輸入在啟動時代跟蹤另外一個電源。 |
20 | FREQ | 用于外部VCO的頻次節制引腳。將引腳毗連到SGND會迫使VCO以牢固的低頻350kHz運轉。將引腳毗連到INTVCC會迫使VCO以牢固的高頻535kHz運轉。經由過程將一個電阻器從FREQ引腳毗連到 SGND,能夠將頻次編程為50kHz到900kHz。電阻器和外部20μA源電流發生的電壓被外部振蕩器用于設置頻次。另外,該引腳也能夠用直流電壓驅動,以轉變外部振蕩器的頻次。 |
21 | SGND | 旌旗燈號接地,外露的封裝焊盤并毗連到一個大的銅立體,以削減熱阻。 |
二、技術表格
范例 | 標題 | 上傳時候 | 文檔下載 |
物品規格參數書(用英語) | PL3901_Datasheet_en_R1.0 | 2025/07/10 | PDF下載 |
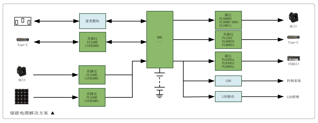
三、充分利用計劃表
序號 | 標題 |
1 |
挪動儲能電源計劃
|